產品介紹
FX3S-14MT/ES三菱PLC FX系列現貨銷售,深圳海藍機電專業代理三菱電機自動化產品,其中三菱plc主營:三菱Q系列plc、三菱FX系列plc、三菱L系列plc和相關plc模塊,并提供專業技術支持,服務熱線:400-8819-130、0755-88356415。
FX3S-14MT/ES價格,FX3S-14MT/ES供應商,三菱PLC銷售!
三菱PLC FX3S-14MT/ES產品詳細說明
【電源規格】
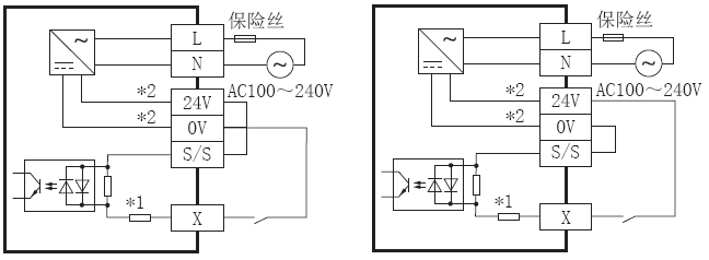
【電源電壓】:AC100~240V
【電源電壓允許范圍】:AC85~264V
【額定頻率】:50/60Hz
【允許瞬時停電時間】:對l0ms以下的瞬時停電會繼續運行
【電源保險絲】:250V 1A
【沖擊電流】:最大15A 5ms以下/AC100V,最大28A 5ms以下/AC200V
【消耗功率】:19W
【DC24V供給電源】:400mA
【FX3S-14MT/ES輸入規格】
【輸入形式】:漏/源型
【輸入的連接方式】:固定式端子(M3螺絲)
【輸入點數】:8點
【輸入信號電壓】:DC24V +10%
【輸入電阻】:3.3KΩ(X010以后是4.3KΩ)
【輸入信號電流】:7mA/DC24V(X010以后,5mA/DC24V)
【輸入ON電流】:4.5mA以上(X010以后,3.5mA/DC24V)
【輸入OFF電流】:1.5mA以下
【輸入響應時間】:約10ms
【輸入信號形式】:
漏型:無電壓觸點輸入或是NPN開電極品體管輸入
源型:無電壓觸點輸入或是PNP開電極品體管輸入
【回路絕緣】:光耦絕緣
【輸入動作表示】:輸入ON時LED燈亮
【AC電源型輸入回路的結構】
漏型輸入接線 源型輸入接線
【FX3S-14MT/ES輸出規格】
【輸出類型】:晶體管/漏型輸出
【輸出點數】:6點
【輸出的連接方式】:固定式端子(M3螺絲)
【外部電源】:DC5~30V以下
【最大電阻負載】:0.5A/1點
【最大感性負載】:12W/DC24V
【開路漏電流】:0.1mA以下DC30V
【ON電壓】:1.5V以下
【響應時間】:
OFF->ON :Y000、Y001:5μs以下/10mA以上(DC5~24V)
ON->OFF:Y002~Y015:0.2ms以下/200mA以上(DC24V)
【回路絕緣】:光耦隔離
【動作表示】:光耦驅動時面板上的LED燈亮
【漏型輸出回路的結構圖】
FX3S-14MT/ES相關資料:
1、三菱PLC FX3S用戶手冊
2、FX3S-14MT/ES基本性能規格說明
特價銷售三菱PLC,三菱變頻器,三菱伺服,三菱觸摸屏,三菱PLC FX1S、FX1N、FX2N、FX3U、FX3G、FX3GA系列價格好,大量現貨,100%保證品質,歡迎來電咨詢!
【海藍機電公司簡介】
深圳海藍機電設備有限公司專業從事銷售批發:三菱plc、三菱變頻器、三菱伺服電機、三菱觸摸屏、各種三菱產品配件附件模塊等三菱工控自動化產品。特殊規格均可供應,擁有價格優勢與龐大的庫存,可以確保準時交貨,品質保證,可提供24小時上門服務,實體保障,值得信賴!服務熱線:400-8819-130、0755-88356415。




